Грядет научный прорыв: Зачем в последние годы ученые по всему миру создают очень странные компьютеры?
В лабораториях по всему миру рождается новая и почти невероятная форма вычислений. Это главный процессор — это не бездушный кремниевый чип, а живая ткань человеческого мозга, особым образом выращенная в пробирке. Когда-то такое можно было увидеть исключительно в фантастических фильмах, но сейчас это уже реальность на основе нейронаук и биоинженерии. Эксперты говорят, что грань между компьютером и живым существом становится все более размытой.
Основу для этих «живых компьютеров» составляют органоиды мозга. Это крошечные трехмерные структуры, выращенные из человеческих стволовых клеток. В подходящих условиях клетки самоорганизуются в нейронные сети, которые напоминают ранние этапы развития человеческого мозга, еще в стадии зародыша. Конечно, эти «мини-мозги», как их часто называют, не обладают сознанием или мыслями, но они вполне способны генерировать спонтанную электрическую активность и формировать связи.

Каждая капля — это органоид головного мозга возрастом 10 месяцев. Чем старше органоиды, тем сложнее их спонтанная нейронная активность
Ключевой прорыв заключается в соединении этих живых нейронных сетей с электроникой. Органоиды размещают на чипах с высокоплотными массивами электродов — платформах «мозг-на-чипе». Электроды выполняют двойную функцию: они стимулируют нейроны электрическими импульсами и считывают их ответную активность. Так создается петля обратной связи: стимул — реакция — адаптация.
Именно этот принцип позволяет «обучать» биологическую ткань. Программное обеспечение в реальном времени декодирует паттерны нейронной активности, и с каждым циклом реакция органоида меняется, демонстрируя нечто вроде примитивного обучения.
Интересный факт: Спонтанная электрическая активность в мозговых органоидах, которым несколько месяцев, начинает напоминать активность мозга недоношенного младенца. Это указывает на то, что в пробирке воспроизводятся некоторые фундаментальные процессы развития нервной системы.
Надо сказать, что эта научная концепция уже имеет потрясающие примеры работоспособности. Например, в 2022 году австралийская компания Cortical Labs представила DishBrain — систему из 800 000 выращенных нейронов на чипе. Используя электрическую стимуляцию, исследователи научили эту живую сеть играть в классическую видеоигру Pong.

Эта нейронная культура была выращена на мультиэлектродном матриксе высокой плотности. Возраст полгода. DishBrain
Самое поразительное, что DishBrain освоил базовые принципы управления ракеткой всего за пять минут. На тот момент это было гораздо быстрее любой нейросети.
Еще один пример — система Brainoware, созданная в университете Индианы (США). Органоид, размещенный на массиве из более чем 3000 электродов, научили распознавать речевые звуки. После двух дней обучения система смогла различать голоса разных людей с точностью около 78%. Эти эксперименты доказали, что живые нейроны можно использовать для обработки информации, причем они часто учатся быстрее и потребляют меньше энергии, чем их цифровые аналоги.
Следующим логичным шагом стала интеграция с робототехникой. В 2024 году в Тяньцзиньском университете (Китай) представили робота на колесах, управляемого мозговым органоидом размером с горошину, установленным на специальный чип MetaBOC. Органоид обрабатывал данные с сенсоров робота, а его нейронная активность расшифровывалась и преобразовывалась в команды для моторов. После тренировки система научилась избегать препятствий.
Другой проект, FinalSpark, экспериментирует с использованием дофамина в качестве биологической «награды». Оригинальная методика позволяет тренировать органоидные системы, тем самым создавая основу для высокоэффективных кибернетических платформ машинного обучения.
Несмотря на однозначную перспективность, технология сталкивается с серьезными ограничениями. Органоиды содержат десятки тысяч нейронов, а это ничтожно мало по сравнению с 86 миллиардами в мозге взрослого человека. Органоиды лишены сложной архитектуры настоящего мозга, кровеносных сосудов и систем жизнеобеспечения. Из-за этого они чрезвычайно хрупки и живут лишь несколько недель или месяцев в идеальных условиях.

У этих китайских роботов есть биологический органоид мозга, а также нейронный чип
Однако даже в своем нынешнем виде «живые компьютеры» открывают уникальные возможности, особенно в медицине. Поскольку органоиды выращиваются из человеческих клеток, они идеально подходят для моделирования болезней. Ученые уже используют их для изучения эпилепсии, аутизма и болезни Альцгеймера. Подключение к электродам позволяет наблюдать сложную электрическую активность при этих состояниях и тестировать потенциальные лекарства.
— доктор Рамон Веласкес из университета Аризоны.
Исследования 2024-2025 годов заглядывают еще дальше. Ученые обсуждают концепцию OBCI (органиод-мозговой интерфейс), когда выращенная нейронная ткань в будущем могла бы имплантироваться в поврежденный мозг, чтобы стимулировать восстановление связей, выступая в роли живого нейропротеза. Эксперименты на грызунах уже показали, что пересаженные человеческие органоиды могут приживаться и стимулировать рост новых сосудов и нейронных отростков.
Эти перспективы неизбежно порождают этические вопросы. Нейробиологи, включая доктора Веласкеса, предостерегают от поспешного приписывания органоидам «сознания» или «разума». Хотя они проявляют активность, это бесконечно далеко от осознанности или способности чувствовать боль.
Впрочем, наука развивается семимильными шагами, поэтому ученые предлагают уже сейчас приступить к разработке этических рамок. Это позволит опередить возможные спекуляции и общественную реакцию, которые могут затормозить перспективные исследования.
Сегодня мы наблюдаем лишь первые, робкие шаги на пути к синтезу биологии и вычислительной техники. Пока непонятно, приведет ли этот путь к киборгам с живыми нейронными блоками, к революции в неврологии или к чему-то совершенно неожиданному. Ясно одно: граница между живой тканью и машиной, которую когда-то считали непреодолимой, теперь не просто размыта. Она становится полем для самых смелых экспериментов человечества.
Компьютер… в чашке Петри
Основу для этих «живых компьютеров» составляют органоиды мозга. Это крошечные трехмерные структуры, выращенные из человеческих стволовых клеток. В подходящих условиях клетки самоорганизуются в нейронные сети, которые напоминают ранние этапы развития человеческого мозга, еще в стадии зародыша. Конечно, эти «мини-мозги», как их часто называют, не обладают сознанием или мыслями, но они вполне способны генерировать спонтанную электрическую активность и формировать связи.

Каждая капля — это органоид головного мозга возрастом 10 месяцев. Чем старше органоиды, тем сложнее их спонтанная нейронная активность
Ключевой прорыв заключается в соединении этих живых нейронных сетей с электроникой. Органоиды размещают на чипах с высокоплотными массивами электродов — платформах «мозг-на-чипе». Электроды выполняют двойную функцию: они стимулируют нейроны электрическими импульсами и считывают их ответную активность. Так создается петля обратной связи: стимул — реакция — адаптация.
Именно этот принцип позволяет «обучать» биологическую ткань. Программное обеспечение в реальном времени декодирует паттерны нейронной активности, и с каждым циклом реакция органоида меняется, демонстрируя нечто вроде примитивного обучения.
Интересный факт: Спонтанная электрическая активность в мозговых органоидах, которым несколько месяцев, начинает напоминать активность мозга недоношенного младенца. Это указывает на то, что в пробирке воспроизводятся некоторые фундаментальные процессы развития нервной системы.
Факты впечатляют
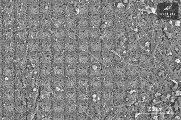
Надо сказать, что эта научная концепция уже имеет потрясающие примеры работоспособности. Например, в 2022 году австралийская компания Cortical Labs представила DishBrain — систему из 800 000 выращенных нейронов на чипе. Используя электрическую стимуляцию, исследователи научили эту живую сеть играть в классическую видеоигру Pong.

Эта нейронная культура была выращена на мультиэлектродном матриксе высокой плотности. Возраст полгода. DishBrain
Самое поразительное, что DishBrain освоил базовые принципы управления ракеткой всего за пять минут. На тот момент это было гораздо быстрее любой нейросети.
Еще один пример — система Brainoware, созданная в университете Индианы (США). Органоид, размещенный на массиве из более чем 3000 электродов, научили распознавать речевые звуки. После двух дней обучения система смогла различать голоса разных людей с точностью около 78%. Эти эксперименты доказали, что живые нейроны можно использовать для обработки информации, причем они часто учатся быстрее и потребляют меньше энергии, чем их цифровые аналоги.
Следующим логичным шагом стала интеграция с робототехникой. В 2024 году в Тяньцзиньском университете (Китай) представили робота на колесах, управляемого мозговым органоидом размером с горошину, установленным на специальный чип MetaBOC. Органоид обрабатывал данные с сенсоров робота, а его нейронная активность расшифровывалась и преобразовывалась в команды для моторов. После тренировки система научилась избегать препятствий.
Другой проект, FinalSpark, экспериментирует с использованием дофамина в качестве биологической «награды». Оригинальная методика позволяет тренировать органоидные системы, тем самым создавая основу для высокоэффективных кибернетических платформ машинного обучения.
Границы больше нет
Несмотря на однозначную перспективность, технология сталкивается с серьезными ограничениями. Органоиды содержат десятки тысяч нейронов, а это ничтожно мало по сравнению с 86 миллиардами в мозге взрослого человека. Органоиды лишены сложной архитектуры настоящего мозга, кровеносных сосудов и систем жизнеобеспечения. Из-за этого они чрезвычайно хрупки и живут лишь несколько недель или месяцев в идеальных условиях.

У этих китайских роботов есть биологический органоид мозга, а также нейронный чип
Однако даже в своем нынешнем виде «живые компьютеры» открывают уникальные возможности, особенно в медицине. Поскольку органоиды выращиваются из человеческих клеток, они идеально подходят для моделирования болезней. Ученые уже используют их для изучения эпилепсии, аутизма и болезни Альцгеймера. Подключение к электродам позволяет наблюдать сложную электрическую активность при этих состояниях и тестировать потенциальные лекарства.
Создание органоидов из индуцированных стволовых клеток конкретного пациента открывает путь к персонализированной медицине и может сократить потребность в испытаниях на животных
— доктор Рамон Веласкес из университета Аризоны.
Исследования 2024-2025 годов заглядывают еще дальше. Ученые обсуждают концепцию OBCI (органиод-мозговой интерфейс), когда выращенная нейронная ткань в будущем могла бы имплантироваться в поврежденный мозг, чтобы стимулировать восстановление связей, выступая в роли живого нейропротеза. Эксперименты на грызунах уже показали, что пересаженные человеческие органоиды могут приживаться и стимулировать рост новых сосудов и нейронных отростков.
Эти перспективы неизбежно порождают этические вопросы. Нейробиологи, включая доктора Веласкеса, предостерегают от поспешного приписывания органоидам «сознания» или «разума». Хотя они проявляют активность, это бесконечно далеко от осознанности или способности чувствовать боль.
Впрочем, наука развивается семимильными шагами, поэтому ученые предлагают уже сейчас приступить к разработке этических рамок. Это позволит опередить возможные спекуляции и общественную реакцию, которые могут затормозить перспективные исследования.
Сегодня мы наблюдаем лишь первые, робкие шаги на пути к синтезу биологии и вычислительной техники. Пока непонятно, приведет ли этот путь к киборгам с живыми нейронными блоками, к революции в неврологии или к чему-то совершенно неожиданному. Ясно одно: граница между живой тканью и машиной, которую когда-то считали непреодолимой, теперь не просто размыта. Она становится полем для самых смелых экспериментов человечества.
- Денис Петровский
- zmescience.com
Наши новостные каналы
Подписывайтесь и будьте в курсе свежих новостей и важнейших событиях дня.
Рекомендуем для вас
Парадокс Великой Зеленой стены: Китай посадил 78 миллиардов новых деревьев, но климат стал только хуже. Как так вышло?
Ученые назвали причины, почему самый грандиозный экологический проект за всю историю в итоге обернулся головной болью для миллионов китайских граждан...
Марс отменяется: три причины, почему российские эксперты ставят крест на Красной планете
Почему пробирка с Марса опаснее любого астероида, как галактические лучи «взрывают» мозг и при чем тут Китай? Честный разбор рисков от Российской академии наук...
«Не повторяйте наших ошибок!» 100 лет борьбы с лесными пожарами обернулись катастрофой для США
Эксперты рассказали, почему, казалось бы, проверенная тактика только усугубила ситуацию с лесным огнем...
Темная сторона Рима: выяснилось, что Империя веками «выкачивала» здоровье из покоренных народов
Новые находки заставили ученых признать: для простых людей римский «прогресс» был скорее приговором, чем спасением. Но почему же так вышло?...
ДНК 4000-летней овцы оказалось ключом к древней тайне, стоившей жизни миллионам
Поразительно, но археологи нашли штамм древней чумы, кошмаривший всю Евразию, в самом таинственном российском городе — Аркаиме. Почему же так получилось?...
Супертелескоп James Webb только запутал ученых, а планета-«близнец» Земли стала еще загадочнее
Эксперты рассказали, почему самый мощный телескоп в истории не смог разобраться с атмосферой TRAPPIST-1e. Аппарат не виноват. Но тогда кто?...
Мегамонстры с 7-го этажа: в древних океанах шла такая война хищников, где у современных косаток не было бы ни единого шанса
Ученые рассказали, куда исчезли «боги» мезозойских морей и почему сейчас их существование было бы невозможно...
Встречи с неведомым: завершаем чтение дневников разведчика и писателя Владимира Арсеньева
Часть третья: таинственный огонь в лесу, свет из облаков, призрак в тумане и странный дым на море...
Первая «чернокожая британка» оказалась белой: новое исследование заставило историков полностью пересмотреть портрет женщины из Бичи-Хед
Почему ученые так сильно ошиблись с ее внешностью? И стоит ли после этого доверять реконструкциям по ДНК?...
Новое исследование показало: если бы не этот «российский ген», древние люди вряд ли бы заселили Америку
Ученые рассказали, почему Алтай в ДНК — это главный секрет феноменального здоровья индейцев...
20-летнее наблюдение со спутников «сломало климат»: Теперь ученым придется полностью менять все теории
Зато теперь понятно, почему в двух близких городах могут быть... разные времена года...
Мощнее леса в десятки раз: в ЮАР нашли «живые камни», которые выкачивают CO₂ с бешеной скоростью
Микробиалиты могли бы спасти Землю от потепления, но у этих «каменных насосов» есть один нюанс...
Грядет научный прорыв: Зачем в последние годы ученые по всему миру создают очень странные компьютеры?
Новые аппараты… не просто живые: они стирают различия между ЭВМ и человеческим мозгом...